牙刷毛束拉力和颈部抗弯力试验机
牙刷是一种 清洁用品 ,为手柄式刷子,用于在刷子上添加 牙膏 ,然后反复刷洗 牙齿 各个部位,以保持口腔卫生,作为清洁用品,近期国内推出了牙刷的新强制性国标 GB39669-2020 牙刷
优惠价格:7500
订购热线:15550051719
牙刷是一种清洁用品,为手柄式刷子,用于在刷子上添加牙膏,然后反复刷洗牙齿各个部位,以保持口腔卫生,作为清洁用品,近期国内推出了牙刷的新强制性国标
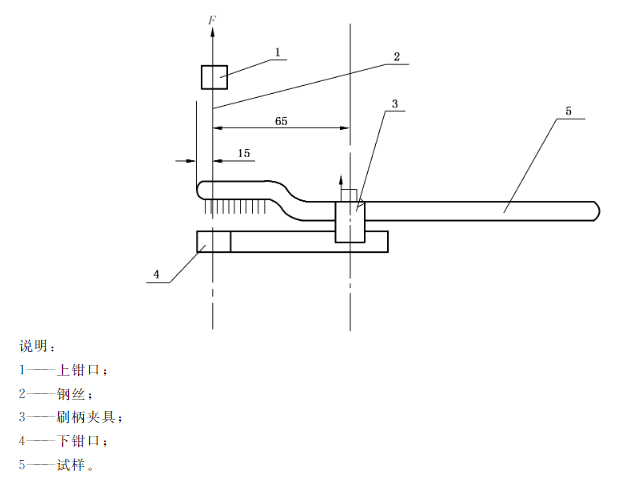
GB39669-2020 牙刷及口腔器具安全通用技术要求,该标准规定了毛束的拉力和颈部抗弯力的试验方法。推荐使用我公司出品的一块小力值拉力试验机,符合国家标准以及行业标准。该标准要求如下

首先介绍毛束拉力试验:该试验的试验速度为90mm/min. 测试力值不小于15N即合格

颈部抗弯力的要求是试验速度 100mm/min,要求成人牙刷大于43N不断裂和儿童牙刷25N不断裂。

拉力试验机选用20kg力值的传感器就可以,精度高
试验机的具体参数如下:
1、试验力:0-200N
2、试验力测量范围:0.5%-100%;
3、试验力准确度:优于示值的±1%
4、位移测量精度:0.01mm
5、横梁位移速度:0.05mm/min--500mm/min无级调速
6、速度精度优于示值的±2%
7、试验空间: 大于650mm
9、主机电源:0.6KW,AC220V±10%,50HZ
9、工作环境:室温10-35℃,湿度20%-80%
10、适用标准GB、ISO、ASTM
12、外形尺寸:约450×450×1280
13、主机重量:70kg
GB39669-2020 牙刷及口腔器具安全通用技术要求,该标准规定了毛束的拉力和颈部抗弯力的试验方法。推荐使用我公司出品的一块小力值拉力试验机,符合国家标准以及行业标准。该标准要求如下

首先介绍毛束拉力试验:该试验的试验速度为90mm/min. 测试力值不小于15N即合格

颈部抗弯力的要求是试验速度 100mm/min,要求成人牙刷大于43N不断裂和儿童牙刷25N不断裂。

拉力试验机选用20kg力值的传感器就可以,精度高
试验机的具体参数如下:
1、试验力:0-200N
2、试验力测量范围:0.5%-100%;
3、试验力准确度:优于示值的±1%
4、位移测量精度:0.01mm
5、横梁位移速度:0.05mm/min--500mm/min无级调速
6、速度精度优于示值的±2%
7、试验空间: 大于650mm
9、主机电源:0.6KW,AC220V±10%,50HZ
9、工作环境:室温10-35℃,湿度20%-80%
10、适用标准GB、ISO、ASTM
12、外形尺寸:约450×450×1280
13、主机重量:70kg
相关产品
相关资讯
联系我们
济南捷德机械设备有限公司
电话: 0531-81261387
传真:0531-88975320
销售一部:袁经理 15550051719
销售二部:刘经理 15098935432
全国免费电话:400 0000 000
24小时售后服务:15550051719
邮箱:jinanjiede@163.com
网址:www.jiedejixie.com
地址:济南市槐荫工业园区







销售一部