混凝土轴向拉伸抗拉强度试验机
混凝土轴向拉伸抗拉强度试验机根据最新标准GBT50081-2019 混凝土物理力学试验方法规定新标准要求混凝土必须做轴向抗拉强度试验和抗拉弹性模量,该试验采用 液压万能试验机 进行试验
优惠价格:admin
订购热线:15550051719
混凝土轴向拉伸抗拉强度试验机根据最新标准GBT50081-2019 混凝土物理力学试验方法规定新标准要求混凝土必须做轴向抗拉强度试验和抗拉弹性模量,该试验采用液压万能试验机进行试验。一般300KN的试验机能满足要求。液压万能试验机油箱内的液压油通过电机带动高压泵进入油路,流经单向阀、高压滤油器、压差阀组、伺服阀,进入油缸。计算机发出控制信号到伺服阀,控制伺服阀的开口和方向,从而控制进入油缸的流量,实现等速试验力、等速位移等的控制。
支持进行拉伸、压缩、剪切、弯曲等试验;
支持开放编辑试验、编辑标准和编辑步骤,并支持导出导入试验、标准和步骤;
支持试验参数自定义;
采用开放式的EXCEL报表形式,支持用户自定义报表格式;
查询打印试验结果灵活方便,支持打印多个试样,自定义排序打印项目;
技术参数
型号 WAW-300D
最大试验力 300KN
试验力测量范围 2%-100%FS
试验力分辨率 0.01kN
试验力相对误差 ≤示值的±1%
位移测量精度mm 0.01
拉伸试验空间mm 550
压缩试验空间mm 450
活塞行程mm 150
主机外形 700×550×2000
电源 380V 50HZ
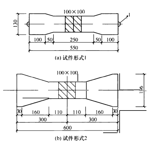
混凝土的抗拉强度试件如图


支持进行拉伸、压缩、剪切、弯曲等试验;
支持开放编辑试验、编辑标准和编辑步骤,并支持导出导入试验、标准和步骤;
支持试验参数自定义;
采用开放式的EXCEL报表形式,支持用户自定义报表格式;
查询打印试验结果灵活方便,支持打印多个试样,自定义排序打印项目;
技术参数
型号 WAW-300D
最大试验力 300KN
试验力测量范围 2%-100%FS
试验力分辨率 0.01kN
试验力相对误差 ≤示值的±1%
位移测量精度mm 0.01
拉伸试验空间mm 550
压缩试验空间mm 450
活塞行程mm 150
主机外形 700×550×2000
电源 380V 50HZ
混凝土的抗拉强度试件如图


相关产品
相关资讯
联系我们
济南捷德机械设备有限公司
电话: 0531-81261387
传真:0531-88975320
销售一部:袁经理 15550051719
销售二部:刘经理 15098935432
全国免费电话:400 0000 000
24小时售后服务:15550051719
邮箱:jinanjiede@163.com
网址:www.jiedejixie.com
地址:济南市槐荫工业园区







销售一部